

















Produktinfos
Details
Scope of delivery:
Heater Airtronic AS3 D2L 12V Diesel 12Volt with diesel pump 25.2953.05.0000
Universal installation kit 25.2720.80.0000
Control element pre-set timer/timer EasyStart Pro 22.1000.35.2200
air scoop 60 mm connection
The Airtronic AS3 air heater with a maximum heating output of 2.2 kW and minimal dimensions is ideal for installation in confined spaces (it even fits under the seat structure). Tailor-made comfort thanks to a wide range of control options from 850 to 2,200 watts. Continuous control enables extremely quiet, constant night-time operation without constantly switching the heater on and off. Also suitable as additional heating for the front area.
Your Airtronic advantages:
- Very quiet night operation thanks to dynamic, stepless heating output control and use of the new, low-noise dosing pump
- Automatic altitude adjustment function up to 3,000 m through integrated altitude sensor, additional altitude kit not required
- Increased service life of up to 5,000 hours thanks to the brushless motor
- Extremely fast heating of the room air through power level
- Direct heat and efficient operation: Unlike a standard combination heater, the domestic water is not heated, but only the air; this guarantees a very high level of efficiency.
- Low fuel and power consumption
- Automatic room temperature control with temperature preselection
- Prevents the formation of condensation
- Fuel supply from the vehicle's own tank
- Space-saving installation possible underfloor, in the raised floor, in the seat base or in the storage box
Technical data of the heater:
Fuel: Diesel – commercially available (DIN EN 590)
Version: AS3 D2L
Voltage V: 12
Heating power control: stepless
Heat flow control: Maximum / Minimum / Off
Heat flow (Watt) 2200 / 850 / –
Fuel consumption (l/h) 0.28 / 0.1 / –
Heating output kW: 0.85 to 2.2
Electrical power consumption W: 6 to 31
Quiescent current consumption 100 μA
Operating range:
Lower voltage limit: An undervoltage protection device built into the control unit switches off the heater when the voltage limit is reached.*)
approx. 10.5 volts or 21.4 volts Response time undervoltage protection: 20 seconds ±1
Upper voltage limit: An overvoltage protection device built into the control unit switches off the heater when the voltage limit is reached.
approx. 16 volts or approx. 32 volts Response time overvoltage protection: 20 seconds ±1
Ambient temperature heater:
in operation –40 °C to +70 °C
out of service –40 °C to +85 °C
Ambient temperature dosing pump:
in operation –40 °C to +50 °C
out of service –40 °C to +125 °C
Heating air intake temperature max. +40 °C
Combustion air temperature max. +50 °C
Radio interference suppression class 5 according to DIN EN 55025
Protection class according to ISO 20653 in operation IP5k4k, out of operation IP5k6k and IP5k9k
Weight kg: 2.7
Main dimensions L x W x H mm: 310 x 115 x 122
*) The undervoltage limits of the heater must be taken into account when using and designing a battery management system. An installed battery management system may only switch off the voltage supply to the heater below the voltage limits if the response time of 20 seconds ±1 second is taken into account.
EasyStart Pro operation:
The EasyStart Pro control element sets the new standard for the Eberspächer control element family. In addition to a timer function (up to three program slots can be set), the EasyStart Pro is equipped with many practical product features:
- Permanently installed control element with integrated temperature sensor
- Simple operation, high-quality design and intuitive operation via just one control button
- Operation of up to two heaters separately or of two identical heaters (Airtronic or Hydronic) in a group
- Simple diagnostic function in text form for users
- Integrated residual heat function for hydronic heaters: efficient heating mode by using the residual heat of the engine
Included in the Eberspächer delivery:
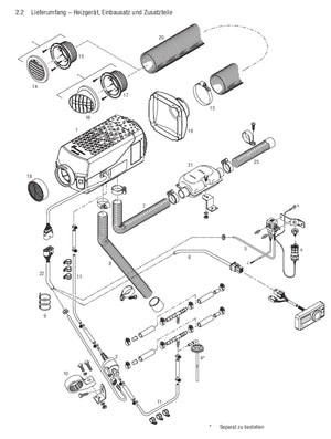
Image number see above
1 heater Airtronic AS3, D2L in 12Volt
2 fuel metering pump
5 Cable harness, plus / minus (included in item 22)
6 Wiring harness, operation (included in item 22)
7 Flexible exhaust pipe, length 900 mm
8 combustion air hose, 1 m long
9 cable ties (2 x 10 pieces)
10 holder, dosing pump
12 tubes, 4 x 1.0 - 7.5 m long
19 hood 60mm
21 exhaust silencers
22 Wiring harness, heater
23 EasyStart Pro control element
25 Flexible exhaust pipe with end piece
Depending on the installation project, the following items must be ordered separately :
Image number see image 5 above with (*):
4 fuel extractors
13 hose clamp (1x)
14 outlets
15 nozzles
16 outlets
17 nozzles
18 grids
20 Flexible pipe
Details
Scope of delivery:
Heater Airtronic AS3 D2L 12V Diesel 12Volt with diesel pump 25.2953.05.0000
Universal installation kit 25.2720.80.0000
Control element pre-set timer/timer EasyStart Pro 22.1000.35.2200
air scoop 60 mm connection
The Airtronic AS3 air heater with a maximum heating output of 2.2 kW and minimal dimensions is ideal for installation in confined spaces (it even fits under the seat structure). Tailor-made comfort thanks to a wide range of control options from 850 to 2,200 watts. Continuous control enables extremely quiet, constant night-time operation without constantly switching the heater on and off. Also suitable as additional heating for the front area.
Your Airtronic advantages:
- Very quiet night operation thanks to dynamic, stepless heating output control and use of the new, low-noise dosing pump
- Automatic altitude adjustment function up to 3,000 m through integrated altitude sensor, additional altitude kit not required
- Increased service life of up to 5,000 hours thanks to the brushless motor
- Extremely fast heating of the room air through power level
- Direct heat and efficient operation: Unlike a standard combination heater, the domestic water is not heated, but only the air; this guarantees a very high level of efficiency.
- Low fuel and power consumption
- Automatic room temperature control with temperature preselection
- Prevents the formation of condensation
- Fuel supply from the vehicle's own tank
- Space-saving installation possible underfloor, in the raised floor, in the seat base or in the storage box
Technical data of the heater:
Fuel: Diesel – commercially available (DIN EN 590)
Version: AS3 D2L
Voltage V: 12
Heating power control: stepless
Heat flow control: Maximum / Minimum / Off
Heat flow (Watt) 2200 / 850 / –
Fuel consumption (l/h) 0.28 / 0.1 / –
Heating output kW: 0.85 to 2.2
Electrical power consumption W: 6 to 31
Quiescent current consumption 100 μA
Operating range:
Lower voltage limit: An undervoltage protection device built into the control unit switches off the heater when the voltage limit is reached.*)
approx. 10.5 volts or 21.4 volts Response time undervoltage protection: 20 seconds ±1
Upper voltage limit: An overvoltage protection device built into the control unit switches off the heater when the voltage limit is reached.
approx. 16 volts or approx. 32 volts Response time overvoltage protection: 20 seconds ±1
Ambient temperature heater:
in operation –40 °C to +70 °C
out of service –40 °C to +85 °C
Ambient temperature dosing pump:
in operation –40 °C to +50 °C
out of service –40 °C to +125 °C
Heating air intake temperature max. +40 °C
Combustion air temperature max. +50 °C
Radio interference suppression class 5 according to DIN EN 55025
Protection class according to ISO 20653 in operation IP5k4k, out of operation IP5k6k and IP5k9k
Weight kg: 2.7
Main dimensions L x W x H mm: 310 x 115 x 122
*) The undervoltage limits of the heater must be taken into account when using and designing a battery management system. An installed battery management system may only switch off the voltage supply to the heater below the voltage limits if the response time of 20 seconds ±1 second is taken into account.
EasyStart Pro operation:
The EasyStart Pro control element sets the new standard for the Eberspächer control element family. In addition to a timer function (up to three program slots can be set), the EasyStart Pro is equipped with many practical product features:
- Permanently installed control element with integrated temperature sensor
- Simple operation, high-quality design and intuitive operation via just one control button
- Operation of up to two heaters separately or of two identical heaters (Airtronic or Hydronic) in a group
- Simple diagnostic function in text form for users
- Integrated residual heat function for hydronic heaters: efficient heating mode by using the residual heat of the engine
Included in the Eberspächer delivery:
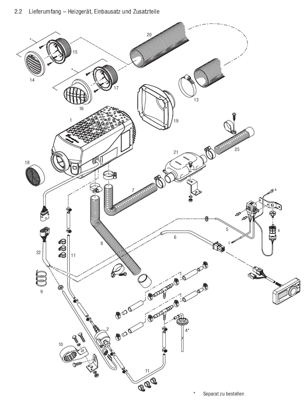
Image number see above
1 heater Airtronic AS3, D2L in 12Volt
2 fuel metering pump
5 Cable harness, plus / minus (included in item 22)
6 Wiring harness, operation (included in item 22)
7 Flexible exhaust pipe, length 900 mm
8 combustion air hose, 1 m long
9 cable ties (2 x 10 pieces)
10 holder, dosing pump
12 tubes, 4 x 1.0 - 7.5 m long
19 hood 60mm
21 exhaust silencers
22 Wiring harness, heater
23 EasyStart Pro control element
25 Flexible exhaust pipe with end piece
Depending on the installation project, the following items must be ordered separately :
Image number see image 5 above with (*):
4 fuel extractors
13 hose clamp (1x)
14 outlets
15 nozzles
16 outlets
17 nozzles
18 grids
20 Flexible pipe
Eberspächer
by
Eberspächer
Eberspächer air heater Airtronic S3 D2L DIESEL 12V (2 KW) with standard installation kit and Easystart Pro timer
- Regular price
- €1.149,00
- Sale price
- €1.149,00
- Regular price
-
Tax included.
Couldn't load pickup availability
Schnelle Lieferung
Innerhalb Deutschlands liefern wir in 1-3 Tagen
Sicherer Versand
Wir versenden versichert per DHL








