



















Produktinfos
aus Produktion: Februar 2025
Lieferumfang:
- Heizgerät Airtronic S3 B2L BENZIN 12Volt mit Kraftstoffpumpe 20.2029.05.0000
- Universal-Einbausatz 20.2029.80.0000
- Bedienelement Vorwahluhr EasyStart Pro 22.1000.35.2200
- Lufthutze 60mm Anschluss 22.1000.01.0016
* Hinweis: je nach Einbauprojekt können zusätzliche Teile z.B. für die Luftführung (Heizluftschlauch, Ausströmer etc.) notwendig sein
Die Luftheizung Airtronic S3 mit max. 2,0 kW Heizleistung bei minimalsten Abmessungen ist optimal bei beengtem Einbauraum (passt sogar unter die Sitzkonstruktion). Komfort nach Maß durch breites Regelspektrum von 1000 bis 2.000 Watt. Stufenlose Regelung ermöglicht extrem leisen konstanten Nachtbetrieb ohne ständiges An- und Abschalten der Heizung. Auch als Zusatzheizung für den Frontbereich geeignet.
- neues Gehäusedesign mit optischen Verbesserungen
- eigenständiges Design mit Muster
- abgerundete Konturen
- Pfeile auf dem Gehäuse zeigen die Strömungsrichtung der Heizluft an
- neues Brennkammerkonzept => modularer Aufbau mit Bodenverdampfer und lasergeschweißtem Flammrohr erlaubt neue Einbaulagen
- verbessertes Wärmetauscherdesign => verbesserte Luftströmung
- Optimierung der Position des internen Temperatursensors – dieser sitzt nun in allen Varianten optimal im Luftstrom und verbessert das Regelverhalten.
- Airtronic 3 ist mechanisch rückwärtskompatibel (Abmessungen und Flansch) – Austausch der Airtronic 1 und Airtronic 2 möglich
- neue Einbaulagen möglich
- kompakte Baugröße
- Eberspächer CAN-Bus-Technologie
- Betrieb mit auf CAN basierendem Bedienelement EasyStart Pro
- EasyScan für komfortable Konfiguration und Diagnose
- Schnittstelle LIN (12 V)
- Schnittstelle S+ (12 V+24 V)
- Dynamische, stufenlose Heizleistungsregelung
- Bürstenloser Motor, dadurch höhere Lebensdauer von 5000 h
* Höhenanpassung: bis 3000 Hm höhentauglich
Ihre Airtronic-Pluspunkte:
- Sehr leiser Nachtbetrieb durch dynamische, stufenlose Heizleistungsregelung und Einsatz der neuen, geräuscharmen Dosierpumpe
- Automatische Höhenanpassungsfunktion bis zu 3.000 m durch integrierten Höhensensor, zusätzliches Höhenkit nicht erforderlich
- Extrem schnelle Erwärmung der Raumluft durch Powerstufe
- Direkte Wärme und effizienter Betrieb: Es wird nicht, wie in einem serienmäßigen Kombiheizgerät, das Brauchwasser mit erwärmt, sondern einzig und allein die Luft; dies garantiert einen sehr hohen Wirkungsgrad.
- Geringer Kraftstoff- und Stromverbrauch
- Automatische Raumtemperaturregelung mit Temperaturvorwahl verhindert die Bildung von Kondenswasser
- Kraftstoffversorgung aus dem fahrzeugeigenen Tank
- Platzsparender Einbau Unterflur, im Doppelboden, im Sitzsockel oder im Staukasten möglich
Bedienung EasyStart Pro:
Das Bedienelement EasyStart Pro setzt den neuen Standard der Eberspächer Bedienelemente-Familie. Neben einer Timerfunktion (bis zu drei Programmplätze einstellbar) ist die EasyStart Pro mit vielen praktischen Produkteigenschaften ausgestattet:
- Fest installiertes Bedienelement mit integriertem Temperaturfühler
- Einfachste Bedienung, hochwertiges Design und intuitive Bedienung über nur einen Bedienknopf
- Bedienung von bis zu zwei Heizgeräten separat oder von zwei identischen Heizgeräten (Airtronic oder Hydronic) in einer Gruppe
- Einfache Diagnosefunktion in Textform für Benutzer
- Integrierte Restwärmefunktion für Hydronic-Heizgeräte: effizienter Heizmodus durch Nutzung der Restwärme des Motors
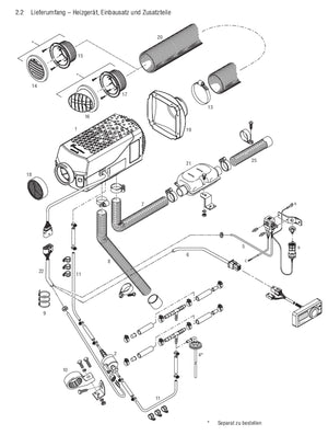
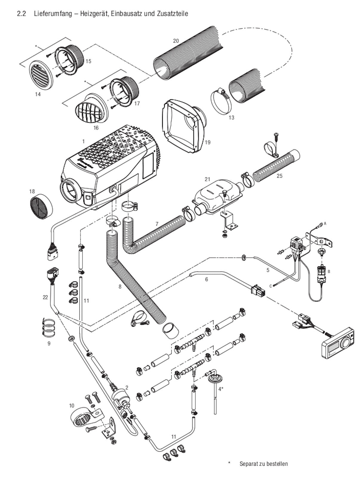
Im Eberspächer Lieferumfang - siehe Bild 8 - enthalten:
1 Heizgerät S3 B2L BENZIN 12 V 20.2029.05.0000
2 Kraftstoffdosierpumpe BENZIN
5 Leitungsstrang, Plus / Minus (in Pos. 22 enthalten)
6 Leitungsstrang, Bedienung (in Pos. 22 enthalten)
7 Flexibles Abgasrohr, Länge 900 mm
8 Verbrennungsluftschlauch, 1 m lang
9 Kabelband (2 x 10 Stück)
10 Halter, Dosierpumpe
11 Rohr, 4 x 1 – 2 m lang
12 Rohr, 4 x 1,25 – 4 m lang
19 Hutze 60mm
21 Abgasschalldämpfer
22 Leitungsbaum, Heizgerät
23 Bedienelement EasyStart Pro
25 Flexibles Abgasrohr mit Endstück
Je nach Einbauvorhaben sind folgende Artikel separat zu bestellen:
Bild-Nr. siehe Bild 8 oben mit (*):
4 Brennstoffentnehmer
13 Schlauchschelle (1x)
14 Ausströmer
15 Stutzen
16 Ausströmer
17 Stutzen
18 Gitter
20 Flexibles Rohr
Technische Daten - siehe Bild oben
Brennstoff:
Das Heizgerät verarbeitet problemlos handelsüblichen Kraftstoff, den Sie für Ihren Motor tanken. Handelsübliche, maximale Beimischung von Ethanol nach DIN EN 228.
Ottokraftstoff – handelsüblich (DIN EN 228)
aus Produktion: Februar 2025
Lieferumfang:
- Heizgerät Airtronic S3 B2L BENZIN 12Volt mit Kraftstoffpumpe 20.2029.05.0000
- Universal-Einbausatz 20.2029.80.0000
- Bedienelement Vorwahluhr EasyStart Pro 22.1000.35.2200
- Lufthutze 60mm Anschluss 22.1000.01.0016
* Hinweis: je nach Einbauprojekt können zusätzliche Teile z.B. für die Luftführung (Heizluftschlauch, Ausströmer etc.) notwendig sein
Die Luftheizung Airtronic S3 mit max. 2,0 kW Heizleistung bei minimalsten Abmessungen ist optimal bei beengtem Einbauraum (passt sogar unter die Sitzkonstruktion). Komfort nach Maß durch breites Regelspektrum von 1000 bis 2.000 Watt. Stufenlose Regelung ermöglicht extrem leisen konstanten Nachtbetrieb ohne ständiges An- und Abschalten der Heizung. Auch als Zusatzheizung für den Frontbereich geeignet.
- neues Gehäusedesign mit optischen Verbesserungen
- eigenständiges Design mit Muster
- abgerundete Konturen
- Pfeile auf dem Gehäuse zeigen die Strömungsrichtung der Heizluft an
- neues Brennkammerkonzept => modularer Aufbau mit Bodenverdampfer und lasergeschweißtem Flammrohr erlaubt neue Einbaulagen
- verbessertes Wärmetauscherdesign => verbesserte Luftströmung
- Optimierung der Position des internen Temperatursensors – dieser sitzt nun in allen Varianten optimal im Luftstrom und verbessert das Regelverhalten.
- Airtronic 3 ist mechanisch rückwärtskompatibel (Abmessungen und Flansch) – Austausch der Airtronic 1 und Airtronic 2 möglich
- neue Einbaulagen möglich
- kompakte Baugröße
- Eberspächer CAN-Bus-Technologie
- Betrieb mit auf CAN basierendem Bedienelement EasyStart Pro
- EasyScan für komfortable Konfiguration und Diagnose
- Schnittstelle LIN (12 V)
- Schnittstelle S+ (12 V+24 V)
- Dynamische, stufenlose Heizleistungsregelung
- Bürstenloser Motor, dadurch höhere Lebensdauer von 5000 h
* Höhenanpassung: bis 3000 Hm höhentauglich
Ihre Airtronic-Pluspunkte:
- Sehr leiser Nachtbetrieb durch dynamische, stufenlose Heizleistungsregelung und Einsatz der neuen, geräuscharmen Dosierpumpe
- Automatische Höhenanpassungsfunktion bis zu 3.000 m durch integrierten Höhensensor, zusätzliches Höhenkit nicht erforderlich
- Extrem schnelle Erwärmung der Raumluft durch Powerstufe
- Direkte Wärme und effizienter Betrieb: Es wird nicht, wie in einem serienmäßigen Kombiheizgerät, das Brauchwasser mit erwärmt, sondern einzig und allein die Luft; dies garantiert einen sehr hohen Wirkungsgrad.
- Geringer Kraftstoff- und Stromverbrauch
- Automatische Raumtemperaturregelung mit Temperaturvorwahl verhindert die Bildung von Kondenswasser
- Kraftstoffversorgung aus dem fahrzeugeigenen Tank
- Platzsparender Einbau Unterflur, im Doppelboden, im Sitzsockel oder im Staukasten möglich
Bedienung EasyStart Pro:
Das Bedienelement EasyStart Pro setzt den neuen Standard der Eberspächer Bedienelemente-Familie. Neben einer Timerfunktion (bis zu drei Programmplätze einstellbar) ist die EasyStart Pro mit vielen praktischen Produkteigenschaften ausgestattet:
- Fest installiertes Bedienelement mit integriertem Temperaturfühler
- Einfachste Bedienung, hochwertiges Design und intuitive Bedienung über nur einen Bedienknopf
- Bedienung von bis zu zwei Heizgeräten separat oder von zwei identischen Heizgeräten (Airtronic oder Hydronic) in einer Gruppe
- Einfache Diagnosefunktion in Textform für Benutzer
- Integrierte Restwärmefunktion für Hydronic-Heizgeräte: effizienter Heizmodus durch Nutzung der Restwärme des Motors
Im Eberspächer Lieferumfang - siehe Bild 8 - enthalten:
1 Heizgerät S3 B2L BENZIN 12 V 20.2029.05.0000
2 Kraftstoffdosierpumpe BENZIN
5 Leitungsstrang, Plus / Minus (in Pos. 22 enthalten)
6 Leitungsstrang, Bedienung (in Pos. 22 enthalten)
7 Flexibles Abgasrohr, Länge 900 mm
8 Verbrennungsluftschlauch, 1 m lang
9 Kabelband (2 x 10 Stück)
10 Halter, Dosierpumpe
11 Rohr, 4 x 1 – 2 m lang
12 Rohr, 4 x 1,25 – 4 m lang
19 Hutze 60mm
21 Abgasschalldämpfer
22 Leitungsbaum, Heizgerät
23 Bedienelement EasyStart Pro
25 Flexibles Abgasrohr mit Endstück
Je nach Einbauvorhaben sind folgende Artikel separat zu bestellen:
Bild-Nr. siehe Bild 8 oben mit (*):
4 Brennstoffentnehmer
13 Schlauchschelle (1x)
14 Ausströmer
15 Stutzen
16 Ausströmer
17 Stutzen
18 Gitter
20 Flexibles Rohr
Technische Daten - siehe Bild oben
Brennstoff:
Das Heizgerät verarbeitet problemlos handelsüblichen Kraftstoff, den Sie für Ihren Motor tanken. Handelsübliche, maximale Beimischung von Ethanol nach DIN EN 228.
Ottokraftstoff – handelsüblich (DIN EN 228)
Eberspächer Luftheizung Airtronic S3 B2L BENZIN 12V (2 KW) mit Standard-Einbausatz und Vorwahluhr Easystart Pro
- Normaler Preis
- €1.190,00
- Verkaufspreis
- €1.190,00
- Normaler Preis
-
Verfügbarkeit für Abholungen konnte nicht geladen werden









